0Porovnat
Všechny kategorie
Uživatelské menu
Všechny kategorie

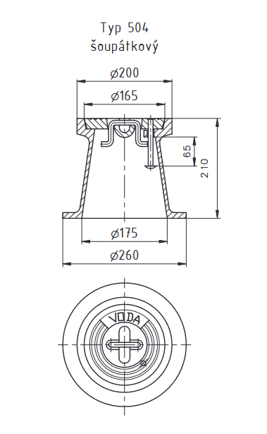
RAMBO typ 504 poklop šoupátkový - voda

Vaše cena bez DPH716 Kč
Poslední 1 ks skladem
DPH:21%
Jednotka:ks
Skladové číslo:F10.875002
Výrobní číslo:8705002

Popis

!! Doprodej skladových zásob, cena platí pouze pro kusy skladem !!

RAMBO poklop šoupátkový typ 504 - VODA

  • Poklop určený k ochraně ovládacích prvků armatur zakopaných do země před mechanickým poškozením.
  • Víko mechanicky zajištěno proti odcizení.
  • Garantovaná nosnost poklopu 40 tun.
  • K zabudování do terénu a vozovek.
  • Ochrana ovl. konce zemní soupravy.

Materiály:

  • Těleso, víko: šedá litina EN-GJL-200 (GG 20)
  • Třmen, spojovací nýt: uhlíková ocel (Typ 504, 510)
  • Můstek: korozivzdorná ocel 1.4021 (13% Cr) (Typ 522)
  • Vně i uvnitř chráněno bitumenovým nátěrem na bázi asfaltu (odstín RAL 9017).

Obrázek je ilustrační.

Dokumenty

Videa

Odkazy

Technická specifikace



Košík obsahuje nepovolené položky

Košík je prázdný

Zobrazit košík

Zboží bylo přidáno do porovnání

Prosím čekejte...
Objednávku nelze dokončit, zkuste to prosím později