0Porovnat
Všechny kategorie
Uživatelské menu
UPOZORNĚNÍ: Inventura skladu 23.12 až 4. 1. Odeslání přepravcem/vyzvednutí je možné nejpozději 22.12, poté až 5. 1.2026
Všechny kategorie

Příruba závitová DIN 2566 PN 16 DN 80 x 3"

Vaše cena bez DPH275 Kč
Na objednávku

Varianty

113 Kč
Skladem >5 ks
162 Kč
Skladem >5 ks
194 Kč
Skladem >5 ks
177 Kč
Skladem >5 ks
201 Kč
Skladem >5 ks
173 Kč
Skladem >5 ks
217 Kč
Skladem >5 ks
306 Kč
Na objednávku
DPH:21%
Jednotka:ks
Skladové číslo:K12.301614
Výrobní číslo:202566800
Značka:Thermoquell Börner GmbH+Co

Popis

Obrázek je ilustrační, může se lišit od skutečného výrobku.

Příruby jsou určeny k připojení armatur do potrubních rozvodů TZB.

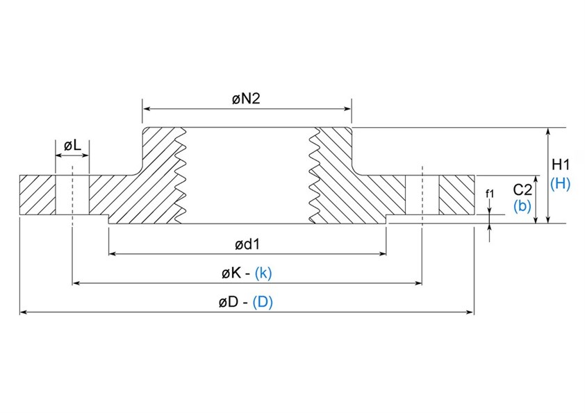
NרL - počet děr pro šrouby × průměr díry

Velikost

Dimenze

PN

D

K

NרL

C2

H1

DN 15

1/2"

16

95

65

4×14

14

20

DN 20

3/4"

16

105

75

4×14

16

24

DN 25

1"

16

115

85

4×14

16

24

DN 32

1 1/4"

16

140

100

4×18

16

26

DN 40

1 1/2"

16

150

110

4×18

16

26

DN 50

2"

16

165

125

4×18

18

28

DN 65

2 1/2"

16

185

145

4×18

18

32

DN 80

3"

16

200

160

8×18

20

34

DN 100

4"

16

220

180

8×18

20

38

Technická specifikace

Technické údaje

Jmenovitá světlost DN
Jmenovitá světlost DN
80
Jmenovitý tlak PN
Jmenovitý tlak PN
16
Počet děr pro šrouby
Počet děr pro šrouby
8
Dimenze
Dimenze
3"

Materiál

Těleso
Těleso
Ocel


Košík obsahuje nepovolené položky

Košík je prázdný

Zobrazit košík

Zboží bylo přidáno do porovnání

Prosím čekejte...
Objednávku nelze dokončit, zkuste to prosím později