0Porovnat
Všechny kategorie
Uživatelské menu
UPOZORNĚNÍ: Inventura skladu 23.12 až 4. 1. Odeslání přepravcem/vyzvednutí je možné nejpozději 22.12, poté až 5. 1.2026
Všechny kategorie

WILO TOP-Z 40/7 230V PN6/10 cirkulační čerpadlo 2046631

Vaše cena bez DPH16 155 Kč
Na objednávku
DPH:21%
Jednotka:ks
Skladové číslo:D01.113044
Výrobní číslo:2046631
Značka:WILO

Popis

TOP-Z 40/7 (1~230 V, PN 6/10, GG) 2046631

  • Toto oběhové čerpadlo je vhodné jen pro pitnou vodu.
  • Použitelné pro cirkulační systémy s teplou vodou v průmyslu a technických zařízeních budov.
  • Mokroběžné oběhové čerpadlo s připojením na závit nebo na přírubu, předvolitelné stupně otáček pro nastavení výkonu.

Vybavení a funkce

  • Manuální nastavení výkonu se 3 stupni otáček
  • Čerpadla s 1~ motorem:
    • P2 až 90 W: Interní ochrana proti nepřípustně vysokým teplotám vinutí
    • P2 = 180 W: Plná ochrana motoru díky ochranným kontaktům vinutí ve spojení s vybavovacím relé
  • Čerpadla s 3~ motorem:
    • P2 až 90 W: Interní ochrana proti nepřípustně vysokým teplotám vinutí
    • P2 ≥ 180 W: Plná ochrana motoru s integrovanou spouštěcí elektronikou
  • Poruchová kontrolka
  • Kontakt pro sběrné poruchové hlášení
  • Kontrolka směru otáčení
  • Síťová přípojka 3~230 V s volitelnou přepínací zástrčkou
  • Těleso čerpadla z červeného kovu nebo šedé litiny (nerezová ocel v závislosti na typu)
  • Kombinovaná příruba PN 6/PN 10 (u DN 40 až DN 65)
  • Tepelně izolační pláště
  • Další funkce díky dovybavení modulem Protect Module C:
    • Poruchové hlášení SSM jako beznapěťový rozpínací kontakt
    • Provozní hlášení SBM jako beznapěťový spínací kontakt (normálně otevřený)
    • Řídicí vstup „Vypnutí při překročení“ pomocí externího beznapěťového kontaktu (rozpínací kontakt)
    • Rozeznání blokování
    • Plná ochrana motoru s vybavovacím relé
    • Potvrzení poruch
  • Řízení zdvojeného čerpadla (paralelně instalovaná dvě samostatná čerpadla): Základní/záložní režim (automatické přepínání v případě poruchy/časově závislá výměna čerpadel)

Obrázek je ilustrační.

Dokumenty

Technická specifikace

Materiál

Těleso
Těleso
Šedá litina
Oběžné kolo
Oběžné kolo
PPE-GF30
Hřídel
Hřídel
Nerez
Ložisko
Ložisko
Uhlík + syntetická pryskyřice

Provozní podmínky

Médium
Médium
Pitná voda
Max. provozní teplota
Max. provozní teplota
80 °C
Max. provozní tlak
Max. provozní tlak
10 bar

Technické údaje

Jmenovitý průtok
Jmenovitý průtok
16,2 m3/h
Dopravní výška
Dopravní výška
6 m

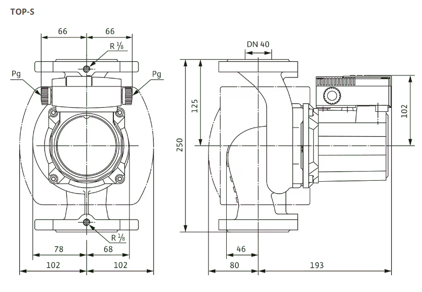
Rozměry

Připojení
Připojení
DIN DN40 PN6/10
Konstrukční délka
Konstrukční délka
250 mm

Elektrické údaje

Min. příkon
Min. příkon
175 W
Frekvence el. sítě
Frekvence el. sítě
50 Hz
Jmenovité napětí
Jmenovité napětí
1×230 V


Košík obsahuje nepovolené položky

Košík je prázdný

Zobrazit košík

Zboží bylo přidáno do porovnání

Prosím čekejte...
Objednávku nelze dokončit, zkuste to prosím později